Torque Arm for 2001 Pontiac Firebird

Vehicle

2001 Pontiac Firebird

Change Vehicle

Categories

Browse Categories
Torque Arm for 2001 Pontiac Firebird #0
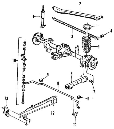
No.
Part # / Description / Price
Price
1
Suspension Shock Absorber 2
GM GM
Notes: Order By Suspension Description.
Description: All models. 5.7l. Without performance option. Touring. Formula & trans am, without performance pkg. With hd suspension. With race prep pkg. Firebird. Without z28. All models. 3.4l, 3.8l.
3
Axle Tie Rod
GM GM
Description: With soft-ride. Hd. Without performance pkg. Without performance option. All models.
3
Track Bar
GM GM
Description: All models. With performance option. With performance pkg.
5
Coil Spring
GM GM
Notes: Order By Description, Parts & Prices For Estimating Only.
Description: All models.
6
1993-2002 GM - Rear Lower Control Arm
GM GM
Description: All models. Without perf-option. Firm ride & handling. Formula & trans am. Without z28. This GM Genuine Part is designed, engineered, and tested to rigorous standards and is backed by General Motors
MSRP $189.27
$115.70
MSRP $189.27
$115.70
6
Rear Lower Control Arm
GM GM
Description: All models. Without perf-option. Ride & handling. With z28. Firebird. This GM Genuine Part is designed, engineered, and tested to rigorous standards and is backed by General Motors
7
Rear Axle Torque Arm Vibration Dampener
GM GM
Description: All models. With perf-option. This GM Genuine Part is designed, engineered, and tested to rigorous standards and is backed by General Motors
8
Stabilizer Bar
GM GM
Description: All models. Without performance option. Ride & handling. Formula & trans am, without performance pkg.
8
Stabilizer Bar
GM GM
Description: All models. Without performance option. Firm ride & handling. Firebird.
9
Stabilizer Bar Bushing
GM GM
Description: All models. With performance option. Formula & trans am, without performance pkg. Firebird. Without z28.
9
Stabilizer Bar Bushing
GM GM
Description: All models. Without performance-option. Firm ride & handling. Without z28.
10
Suspension Stabilizer Bar Link Kit
GM GM
Description: All models. With firm ride & handling. Formula & trans am. Without z28. DTS. With heavy duty. Heavy Duty Suspension. Firebird.
10
Stabilizer Link
GM GM
Description: All models. Without firm ride & handling. With z28. Firebird. Formula & trans am.
11
1984-2003 GM - Suspension Stabilizer Shaft Insulator Clamp
GM GM
Description: 2WD. without Sport package. Stabilizer bar,clamp. Helps secure the stabilizer bar bushing to your vehicle's suspension This GM Genuine Part is designed, engineered, and tested to rigorous standards and is backed by General Motors
MSRP $8.96
$5.60
MSRP $8.96
$5.60
12
Torque Arm
GM GM
Description: All models. 5.7l. 5.7L, manual trans. Formula & trans am, manual trans.
12
Torque Arm
GM GM
Description: 8 cylinder. All models. 5.7l. Formula & trans am, auto trans. 5.7L, auto trans. All models. 3.4l, 3.8l. Manual trans. 3.8L, without 16 wheel. Firebird. 3.8L, auto trans.
13
Rear Axle Torque Arm Inner Bracket
GM GM
Description: All models. Inner, auto trans. This GM Genuine Part is designed, engineered, and tested to rigorous standards and is backed by General Motors
13
Rear Axle Torque Arm Outer Bracket
GM GM
Description: All models. Outer, auto trans. This GM Genuine Part is designed, engineered, and tested to rigorous standards and is backed by General Motors
13
Torque Arm Bracket
GM GM
Description: All models. Outer, manual trans.
13
Rear Axle Torque Arm Inner Bracket
GM GM
Description: All models. Inner, manual trans. This GM Genuine Part is designed, engineered, and tested to rigorous standards and is backed by General Motors
2 This part contains hazardous materials. Extra shipping costs apply.